CN
Home
About
Company profile
Development
Honor
R&d innovation
Intellectual property
Smart lab
Factory environment
Core advantage
Products
Joule heating device series
Flash Joule Heating Device Max Temperature 3400℃
Joule heating device Max 3000℃
Joule heating device(lite version)
Outfield-assisted Joule heating/self-propagating material preparation platform
Continuous/high flux Joule heating material preparation platform
Hot pressure flash Joule heating instrument
Ultrafast Joule heating furnace maintain the temperature 100 hours
Discharge plasma Joule heating device
Fixed bed reactor series
Desktop catalyst fixed bed reactor 800℃ 100Bar
Tailored gas-liquild phase fixed bed reactor
Joule-heating fixed bed reactor
Fixed bed hydrogenation reactor
Battery series
Battery series scheme
Button battery solution
Soft pack battery solution
Columnar battery solution
Solid-state battery solution
Battery series Process
Glove box series
Ball milling/mixing series
......
In situ characterization device series
Infrared spectrum
In situ infrared electrochemical ATR system
In situ infrared diffuse reflection reaction system
FTIR In situ infrared transmission system
Synchrotron radiation spectrum
High Temperature Transmission-Fluorescence Dual Mode XAFS Cell
High temperature and high pressure XAFS reactor
Heterogeneous Photoelectric Catalysis in Situ XAFS Reaction Cell
Raman spectrum
In situ Raman high temperature reaction cell
In situ Raman electrochemical reaction cell
In situ microscopic observation system
XRD spectrum
In situ XRD electrochemical reaction cell
In situ XRD high-temperature reaction cell
In situ XRD low-temperature reaction cell
Photocatalytic XRD reaction cell
Lithium battery in-situ XRD testing cell
In situ XRD testing cell for lithium-air batteries
Ultraviolet spectrum
In situ UV-Vis electrochemical reaction cell
In-situ ultraviolet absorption reaction system
News
Corporate information
Industry information
achievements
contact
Contact information
Talent recruitment
Home
About
Company profile
Development
Honor
R&d innovation
Intellectual property
Smart lab
Factory environment
Core advantage
Products
Joule heating device series
Fixed bed reactor series
Battery series
In situ characterization device series
News
Corporate information
Industry information
achievements
contact
Contact information
Talent recruitment
Hot keywords:
Joule heating device
fixed bed reactor
in-situ drifts reactor
In situ Raman high-temperature reaction cell
In situ XRD high-temperature reaction cell
In situ Raman electrochemical reactor
Flash Joule heating furnace
Ultra fast joule heating device
Home
News
Industry information
Corporate information
Industry information
News
Learn more about in situ dynamics and industry information
Industry information
Corporate information
Industry information
固定床反应器在化工领域的广泛应用!
Release date:2023-04-27
Reading quantity:345
近几年以来
固定床反应器
在化工生产及医药研究的领域里发挥着重大的作用。
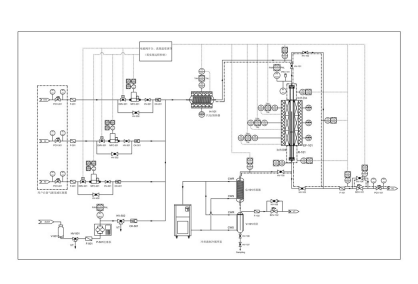
固定床反应器,装填有固体催化剂或固体用以实现的一种反应器。在现代生产中固定床反应器开始广泛应用于生产之中,主要用于化工生产、生物科研等。它与及的区别在于固体颗粒处于静止状态。固定床反应器主要用于实现气固相,如、二氧化硫接触氧化器、炉等。
固定床反应器在化工领域应用十分广泛。基本有机化工中,乙烯氧化制环氧乙烷、乙不脱氧制茉乙烯、乙烯水合制乙醇等反应均在固定床反应器中进行。固定床反应器床层薄,流速低,床层内的流体轴向流动可看作是理想置换流动,因而化学反应速率较快,完成同样的生产任务所需的催化剂用量和反应器体积较小,流体停留时间可严格控制,温度分布可适当调节,有利于提高化学反应的转化率和选择性:固定床中催化剂不易磨损,可在高温高压下操作。
启航彩,专业研发固定床反应器。固定床反应器系列有:微型固定床反应器,固定床加氢反应器,多通道固定床反应器。以下是固定床加氢反应器介绍:
固定床加氢反应器装置配置三路气体进料和一路液体进料,包括但不限于C02加氢制备甲醇、丙酮缩合-加氢制备甲基异丁基酮等反应.可实现远程控制、尾气物流分流和全组分进样分析.
固定床加氢反应器产品特点:
本装置除具备常规固定床的结构和功能外,还包含以下特点:
远程控制:气路质温流员计前均设置自保持电磁阀。电磁阀、电加蒸炉、温控和压力传感器与控制系统连接,能够在温度、压强出现异常时,远程实时停止加热和关闭气路阀门,确保实验安全性;
尾气物潦分流:尾气物流分为两支,分别采用“背压阀"和“背压阀-减压阀”对尾气物潦进行比例分流,调控进入后端检测器流量,同时实现全组分析和产物分离。
固定床加氢反应器,微型固定床反应器,多通道固定床反应器等可根据客户实际需求定制,欢迎咨询!
Prev
Return list
Next
search
Recommended product
Flash Joule Heating Device Max Temperature 3400℃
Desktop catalyst fixed bed reactor 800℃ 100Bar
Joule heating device Max 3000℃