Flash Joule Heating Device_Fixed Bed Reactor_In-situ FTIR/Raman/XRD Electrochemistry/thermocatalytic cells/stages_Lab battery research_Hefei In-situ Technology Co., Ltd

News

Learn more about in situ dynamics and industry information

Industry information

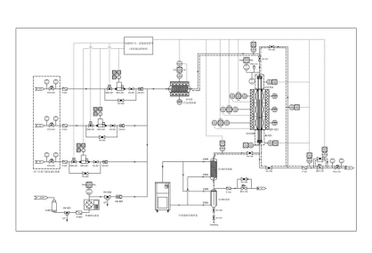
固定床反应器工艺流程图

Release date:2023-06-01 Reading quantity:625

固定床反应器工艺流程图


固定床加氢反应器 产品介绍:


本装置配置三路气体进料和一路液体进料,包括但不限于C02加氢制备甲醇、丙酮缩合-加氢制备甲基异丁基酮等反应.可实现远程控制、尾气物流分流和全组分进样分析.


产品特点
本装置除具备常规固定床的结构和功能外,还包含以下特点:

远程控制:气路质温流员计前均设置自保持电磁阀。电磁阀、电加蒸炉、温控和压力传感器与控制系统连接,能够在温度、压强出现异常时,远程实时停止加热和关闭气路阀门,确保实验安全性;

尾气物潦分流:尾气物流分为两支,分别采用“背压阀"和“背压阀-减压阀”对尾气物潦进行比例分流,调控进入后端检测器流量,同时实现全组分析和产物分离。


合肥原位科技专业固定床反应器研发,微型固定床反应器,固定床加氢反应器,多通道固定床反应器,欢迎咨询!

Prev

Next

search